Switch/Rotary Variable Attenuator

Step Variable Attenuator(DIP)

 
VAD Series(DC ~ 3GHz )
Patent Product


China Patent No.: CN 2008 1 0144258
USA Patent No.: US 8,476,544 B2
Japen Patent No.: 2011-524168
Taiwan Patent No. : I 393347  

Click to enter VAC Series

Features
● Step variable
● DIP package ultra-small size, able to be mounted
● Wide frequency range: DC ~ 3GHz
● Low VSWR
● Low ion loss
● High performance,competitive price
● Wide attenuation range
● Step attenuation values flexible and able
● Power handling: 125mW
● Impedance: 50Ω or 75Ω
● Operating temperature:-40℃ ~ +105℃
● Compared with digital attenuators,zero distortion,
     no extra IP3,lower noise,higher reliability.
● At least 360 times(60 circles,6 times as a circle) tuning operation
● Customized attenuation values available

◆DIP Variable Attenuator
(VAD) Reliability Test

◆Wave Soldering Profile



Model Description                   

VAD
 **  
Attenuation Range
 ** 
Step value
 * 
Impedance
 ** 
Package
 * 
shaft
e.g.:VAD0102BDH
Attenuation Range:01 represent 0~1dB.
Step value:02 represent step value 0.2dB.
Impedance:“B”represents 75Ω impedance,“no code”represents 50Ω impedance.
Package:“DL”represents lateral DIP package,“D”represents vertical DIP package.
Shaft:“H”represents a handling shaft,“no code”represents without handling shaft.
Note:Rotating caps for VAD(with handling shaft type) series is available.

Vertical DIP
Type

VADXXXXD(50Ω)
VADXXXXBD(75Ω)
VADXXXXDH(50Ω)
VADXXXXBDH(75Ω)
-(50Ω)
-(75Ω)
For details referred to color and size, please contact our sales

Lateral DIP
Type

VADXXXXDL(50Ω)
VADXXXXBDL(75Ω)
VADXXXXDLH(50Ω)
VADXXXXBDLH(75Ω)
-(50Ω)
-(75Ω)
Step Type Spec.
●Frequency range:DC ~ 2.5GHz       ●Power rating:125mW       ●Impedance:50Ω or 75Ω       ●Dimensions(mm):10×11×6
Model
Attenuation Range(dB)
Step Value
(dB)
Impedance
(Ω)
Typ.VSWR:1
Insertion Loss at 0dB
DC ~ 2GHz(dB)
Attenuation Accuracy(dB)
DC ~ 2GHz
DC~2GHz
2GHz~2.5GHz
0 ~ 1
0.2
50
1.30
1.40
0.35
1.0
0 ~ 1.8
0.3
50
1.35
1.45
0.35
1.0
0 ~ 2
0.4
50
1.35
1.45
0.35
1.0
0 ~ 2.5
0.5
50
1.35
1.45
0.35
1.0
0 ~ 3
0.6
50
1.35
1.45
0.35
1.0
0 ~ 5
1.0
50
1.40
1.60
0.35
1.3
0 ~ 7.5
1.5
50
1.45
1.65
0.35
1.5
0 ~ 10
2.0
50
1.45
1.65
0.35
1.3
0 ~ 12.5
2.5
50
1.5(at 1.0GHz)
-
0.35
1.2(at 1.0GHz)
0 ~ 15
3.0
50
1.5(at 1.0GHz)
-
0.35
1.2(at 1.0GHz)
Application1A
0 ~ 15
1.0
50
1.5(at 1.0GHz)
-
0.35
1.2(at 1.0GHz)
Application2A
0 ~ 20
1.0
50
1.5(at 1.0GHz)
-
0.35
1.2(at 1.0GHz)
0 ~ 1
0.2
75
1.30
1.45
0.3
0.5
0 ~ 1.8
0.3
75
1.30
1.45
0.3
0.5
0 ~ 2
0.4
75
1.35
1.45
0.3
0.5
0 ~ 2.5
0.5
75
1.35
1.45
0.3
0.6
0 ~ 3
0.6
75
1.35
1.45
0.3
0.6
0 ~ 5
1.0
75
1.35
1.45
0.3
1.0
0 ~ 7.5
1.5
75
1.35
1.45
0.3
1.0
0 ~ 10
2.0
75
1.35
1.45
0.3
1.2
0 ~ 12.5
2.5
75
1.6(at 1.5GHz)
-
0.3
1.0(at 1.0GHz)
0 ~ 15
3.0
75
1.45(at 1.0GHz)
-
0.3
1.0(at 1.0GHz)
Application1B
0 ~ 15
1.0
75
1.45(at 1.0GHz)
-
0.3
1.0(at 1.0GHz)
Application2B
0 ~ 20
1.0
75
1.45(at 1.0GHz)
-
0.3
1.0(at 1.0GHz)
Option:VAD in DIP Package is available with a shaft.Part number with a suffix H represents VAD with a handling shaft.
For example,VAD1530BDH is 0-15dB,3dB/step,75ohm,DIP,with handling shaft.

Application Note:


Free Samples and Evaluation boards are available upon request


Example1:
You need 2 sets(pieces) of VAD,it can meet the attenuation range:0 to 18 dB by 1dB/step

VAD(A):0,1,2,3,4,5dB;
VAD(B):0,6,12,13,13,13dB;
You can get the attenuation value are:A+B=M dB
Application1:When A=0,1,2,3,4,or5dB,B=0dB,then M=A+B=0,1,2,3,4,or5dB;
Application2:When A=0,1,2,3,4,or5dB,B=6dB,then M=A+B=6,7,8,9,10,or11dB;
Application3:When A=0,1,2,3,4,or5dB,B=12dB,then M=A+B=12,13,14,15,16,or17dB;
Application4:When A=0,1,2,3,4,or5dB,B=13dB,then M=A+B=13,14,15,16,17,or18dB;

Example2:
You need 2 sets(pieces)of VAD,it can meet the attenuation range:0 to 20 dB by 1dB/step

VAD(A):0,1,2,3,4,5dB;
VAD(B):0,6,12,15,15,15dB;
You can get the attenuation value are:A+B=M dB
Application1:When A=0,1,2,3,4,or5dB,B=0dB,then M=A+B=0,1,2,3,4,or5dB;
Application2:When A=0,1,2,3,4,or5dB,B=6dB,then M=A+B=6,7,8,9,10,or11dB;
Application3:When A=0,1,2,3,4,or5dB,B=12dB,then M=A+B=12,13,14,15,16,or17dB;
Application4:When A=0,1,2,3,4,or5dB,B=15dB,then M=A+B=15,16,17,18,19,or20dB;
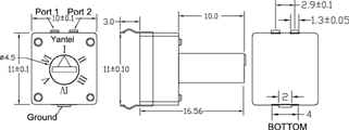
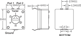
Outline Dimensions(unit:mm)
VAD DIP Package
VAD DIP with handing shaft
 
Applications
● In RF reader: adjustable signal power, so realizing transceiving. action distance adjustable.
● In preliminary stage of power amplifier: adjusting consistency of output power.
● Replaceable of digital attenuator, adjustable the system gain and output power with no extra IP3, no distortion or no noise.
● Repeater
● WiMAX
● WLAN
● CATV



Return to Miniature Variable Attenuator